Skip to main content
888-606-2149
Log In
Order Status
Contacts
Manufacturers
AIMS Power
Ameresco
Analytic Systems
Apsystems
Aptos
ARK Battery
Battle Born Batteries
Blendtron
Blue Sea Systems
Canadian Solar
Chilicon Power
Cotek
CPS
CW Energy
Discover Battery
EndurEnergy
Energizer
Enphase
Expion360
EZ Solar
Fimer
Fortress Power
FranklinWH
Fronius
Future Solutions
Generac
Go Power
Hollaender
Homegrid
Inverter Supply
IronRidge
JA Solar
Jinko
K2 Systems
Kepco
Kisae Technology
Krieger
Lifeline Batteries
Magnum Energy
Mango Power
Mastervolt
Meyer Burger
Micro-Air
Midnite Solar
Mission Solar
MK Battery
Morningstar
Northstar
Outback Power
Panasonic
Phocos
Power Bright
PowerMax
QCELLS
REC Group
Relion Batteries
Rubix
Samlex America
Schneider Electric
SEC America
Sensata
Silfab
SimpliPhi
SMA
SnapNrack
SOK Battery
Sol-Ark
SolarEdge
SolarTech
Solis Inverters
Sonnen
Southwire
Sun Xtender
Tigo
Trina Solar
Trojan Battery
UniRac
Vanner
Victron Energy
Wallbox
Xantrex
Yaskawa
Log In
Create Account
Order Status
Site Map
Manufacturers
0
Shopping Cart
Your Profile
Log In
Create Account
Order Status
Site Map
Home
/
Blue Sea Systems
/
Blue Sea Monitors
/
Blue Sea Systems, 1810, Vessel Systems Monitor Tank Sender - Diesel, Water, Waste
Blue Sea Systems, 1810, Vessel Systems Monitor Tank Sender - Diesel, Water, Waste
×
The images shown are for illustration purposes only and may not be an exact representation of the product
Blue Sea Systems, 1810, Vessel Systems Monitor Tank Sender - Diesel, Water, Waste
Model:
1810
GTIN:
00632085018108
Manufactured by:
Blue Sea Systems
Condition:
New
Estimated Delivery:
Oct 26th - Nov 1st
Estimated Delivery:
1 to 2 Weeks
In Stock
Out of Stock
Lead Time To Ship May Vary
Price:
$169.86
$130.66
Add to Cart
Manufacturer Info
Other products
Features
Accurate - used with the Vessel Systems Monitor VSM 422 PN 1800 - can be precisely calibrated for each tank*
Reliable - SSI Technologies, Inc. Fluid-Trac is non-contacting eliminating any mechanical moving parts that can wear and cause intermittent or complete signal loss
Digital filtering - Eliminates errors due to liquids sloshing in mobile tanks
Instructions
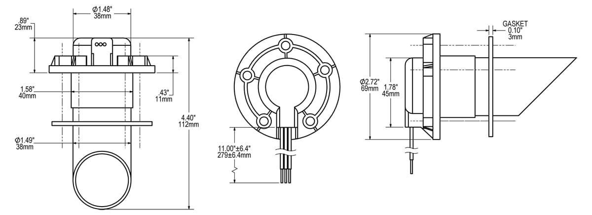
Dimension Drawing
Limitations and considerations for mounting the ultrasonic tank senders:
Senders are calibrated to the VSM 422 and will not function with other monitors
Senders must be mounted 4" or greater distance from a tank side or baffle
Tank floor must not be sloped
Tanks must not be deeper than 32"
Sender must be mounted perpendicular to the surface of the liquid
The sender negative connection should be connected as directly as possible to the main negative bus.
Specifications
Operating Current
40mA @ 12V45mA @ 24V
Supply Voltage
10-32V DC
Weight
0.25lb (0.11 kg)
Product Reviews
Other Products in This Category
Blue Sea Systems, 1839, Monitor M2 OLED Tank
$467.74
$359.80
Blue Sea Systems, 1811, Vessel Systems Monitor Tank Sender - Gas Only
$196.32
$151.02
Blue Sea Systems, 1732200, Mini OLED Ammeter - Blue
$164.47
$126.51
Blue Sea Systems, 1741200, Mini OLED Temperature Monitor - Blue
$131.67
$101.28